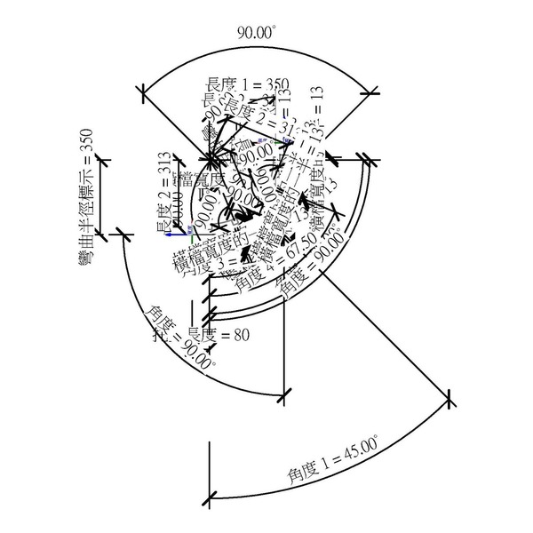
M_梯垂直外彎
OmniClass 編碼:23-35 33 00
OmniClass 類別:電氣導管電纜槽構件 Electrical Ducting Wireways Components
MasterFormat 編碼:05 19 00
MasterFormat 類別:張力桿和電纜桁架組件 Tension Rod and Cable Truss Assemblies
PCCES 編碼:16 230
PCCES 類別:發電機組裝 Generator Assemblies
LOD:300
元件供應商:施正之建築師事務所
設計/生產地:資料建置中
產品網址:資料建置中
資料建置中
碳足跡:kgCO2e
資料建置中
初審單位:中華民國全國建築師公會
複審單位:中華民國全國建築師公會
Free
model formats
Revit
-
M_梯垂直外彎.rfaver.2018 336 KB
ArchiCAD
- 暫無資料
AutoCAD
- 暫無資料
IFC
- 暫無資料
評分與評論
5.0
共0 則評分
5
4
3
2
1
暫無評論
相關元件
電力系統
EE_通用雙聯插座_V22
施正之建築師事務所
5,803
電力系統
M_電源插座-雙插座-GFI
施正之建築師事務所
8,857
電力系統
M_插座 - 220V
施正之建築師事務所
7,586













