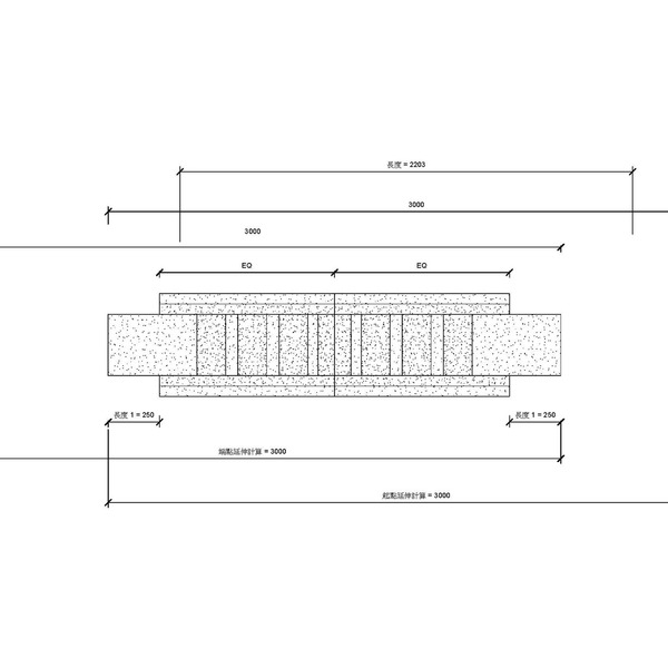
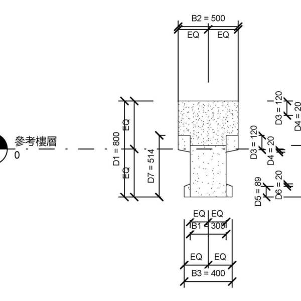
M_預鑄-大樑 I-含開口的鞍形屋頂_V13
OmniClass 編碼:23-13 31 15
OmniClass 類別:預製結構混凝土 Precast Structural Concrete
MasterFormat 編碼:03 40 00
MasterFormat 類別:預鑄混凝土 Precast Concrete
PCCES 編碼:03 400
PCCES 類別:預鑄混凝土 Precast Concrete
LOD:300
元件供應商:施正之建築師事務所
設計/生產地:資料建置中
產品網址:資料建置中
資料建置中
碳足跡:kgCO2e
資料建置中
初審單位:中華民國全國建築師公會
複審單位:中華民國全國建築師公會
Free
model formats
Revit
-
M_預鑄-大樑 I-含開口的鞍形屋頂.rfaver.2013 384 KB
ArchiCAD
- 暫無資料
AutoCAD
- 暫無資料
IFC
- 暫無資料
評分與評論
5.0
共0 則評分
5
4
3
2
1
暫無評論
相關元件
外牆
M_絕緣連接 HIT-BX-Q
施正之建築師事務所
12,482
板
M_預鑄-空心樓板_V13
施正之建築師事務所
12,599
板
M_預鑄-大樑 T-鞍形屋頂_V13
施正之建築師事務所
12,381
樑
M_混凝土-矩形樑_V13
施正之建築師事務所
12,354
柱
H型鋼175x90x5x8_V20
施正之建築師事務所
7,753
樑
M_條形基腳-側面
施正之建築師事務所
11,773
外牆
M_絕緣連接 HIT-BX-MOD
施正之建築師事務所
13,443
柱
UBT-結構 T 接頭_V13
施正之建築師事務所
12,303
樑
M_混凝土基腳-矩形-剖面
施正之建築師事務所
11,011
柱
M_剪力欄杆元素-HDB
施正之建築師事務所
12,465
外牆
M_鑲嵌玻璃面 CMU-側面
施正之建築師事務所
10,179
外牆
M_有刻痕的 CMU-剖面
施正之建築師事務所
9,575











