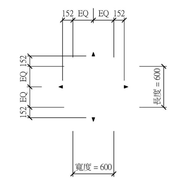
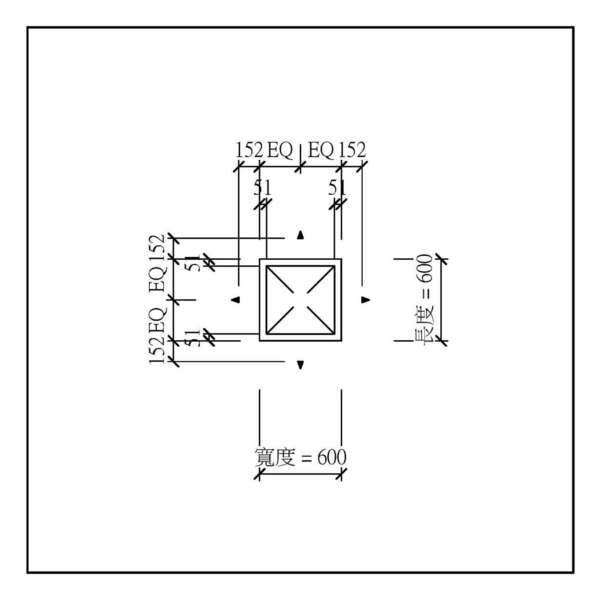
M_方形供風分佈口
OmniClass 編碼:22-23 36 00
OmniClass 類別:末端空氣機組 Air Terminal Units
MasterFormat 編碼:23 36 00
MasterFormat 類別:空氣終端單元 Air Terminal Units
PCCES 編碼:15 841
PCCES 類別:空氣終端箱 Air Terminal Units
LOD:300
元件供應商:施正之建築師事務所
設計/生產地:資料建置中
產品網址:資料建置中
資料建置中
碳足跡:kgCO2e
資料建置中
初審單位:中華民國全國建築師公會
複審單位:中華民國全國建築師公會
Free
model formats
Revit
-
M_方形供風分佈口.rfaver.2018 232 KB
ArchiCAD
- 暫無資料
AutoCAD
- 暫無資料
IFC
- 暫無資料
評分與評論
5.0
共0 則評分
5
4
3
2
1
暫無評論
相關元件
液體工程
M_污水泵 - 水平排放
施正之建築師事務所
12,668
空調工程
M_暖氣機 - 櫥櫃 - 水平隱藏式
施正之建築師事務所
13,721
空調工程
M_風機盤管機組 - 水平基本隱藏
施正之建築師事務所
16,199
空調工程
M_風機盤管機組 - 直立
施正之建築師事務所
14,386
給排水工程
循環泵_V18
台灣積體電路製造股份有限公司
4,974
電力系統
M_導管接線盒 - 交叉 - 鋁
施正之建築師事務所
12,678













