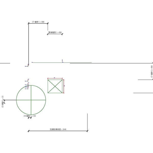
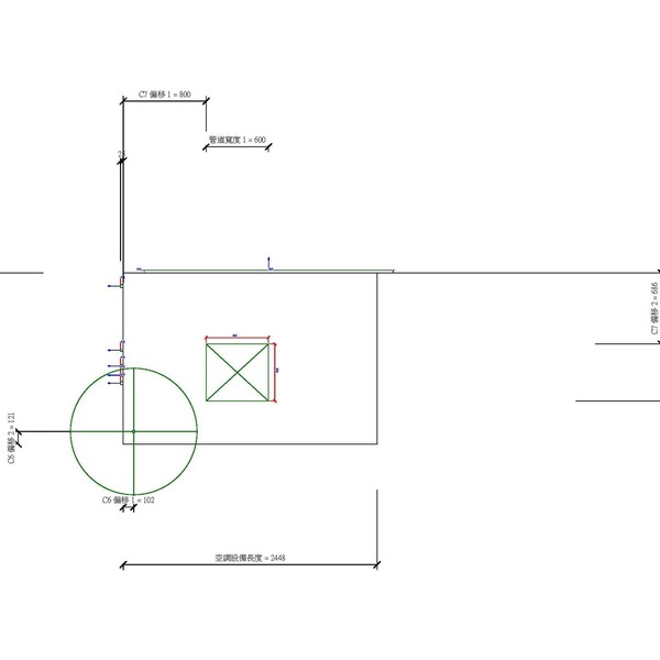
M_空調設備 - 直立箱型 - 氣冷式 - 70-211 kW
OmniClass 編碼:22-23 36 00
OmniClass 類別:末端空氣機組 Air Terminal Units
MasterFormat 編碼:23 36 00
MasterFormat 類別:空氣終端單元 Air Terminal Units
PCCES 編碼:15 841
PCCES 類別:空氣終端箱 Air Terminal Units
LOD:300
元件供應商:施正之建築師事務所
設計/生產地:資料建置中
產品網址:資料建置中
資料建置中
碳足跡:kgCO2e
資料建置中
初審單位:中華民國全國建築師公會
複審單位:中華民國全國建築師公會
Free
model formats
Revit
-
M_空調設備 - 直立箱型 - 氣冷式 - 70-211 kW.rfaver.2018 304 KB
ArchiCAD
- 暫無資料
AutoCAD
- 暫無資料
IFC
- 暫無資料
評分與評論
5.0
共0 則評分
5
4
3
2
1
暫無評論
相關元件
空調工程
3D
綠新風觸控套組G6T
BIM知識資源平台
4,110
電力系統
M_外露盒 - 八角形 - PVC
施正之建築師事務所
11,957
液體工程
M_氣動式冷凝泵 - 水平
施正之建築師事務所
10,600
空調工程
M_圓形供風分佈口
施正之建築師事務所
14,523
電力系統
M_導管管接頭 - 鋼
施正之建築師事務所
13,449















