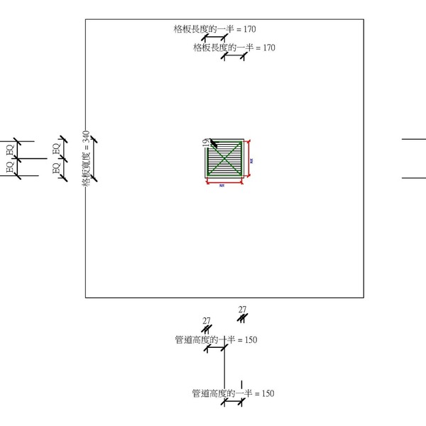
M_排氣格板 - 矩形面正方形 頸- 主體
OmniClass 編碼:22-23 36 00
OmniClass 類別:末端空氣機組 Air Terminal Units
MasterFormat 編碼:23 36 00
MasterFormat 類別:空氣終端單元 Air Terminal Units
PCCES 編碼:15 841
PCCES 類別:空氣終端箱 Air Terminal Units
LOD:300
元件供應商:施正之建築師事務所
設計/生產地:資料建置中
產品網址:資料建置中
資料建置中
碳足跡:kgCO2e
資料建置中
初審單位:中華民國全國建築師公會
複審單位:中華民國全國建築師公會
Free
model formats
Revit
-
M_排氣格板 - 矩形面正方形 頸- 主體.rfaver.2018 328 KB
ArchiCAD
- 暫無資料
AutoCAD
- 暫無資料
IFC
- 暫無資料
評分與評論
5.0
共0 則評分
5
4
3
2
1
暫無評論
相關元件
空調工程
分離式室外機_V22
施正之建築師事務所
8,331
液體工程
M_氣動式冷凝泵 - 水平
施正之建築師事務所
10,600
空調工程
M_風機模組 - 側邊排放
施正之建築師事務所
15,267
電力系統
M_導管偏移 - 壓縮 - 壓鑄鋅
施正之建築師事務所
11,969
空調工程
M_暖氣機 - 櫥櫃 - 直立隱藏式
施正之建築師事務所
14,328















