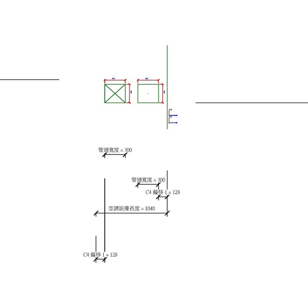
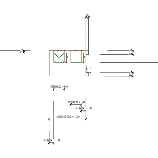
M_空調設備 - 直立箱型 - 氣冷式 - 26 kW
OmniClass 編碼:22-23 36 00
OmniClass 類別:末端空氣機組 Air Terminal Units
MasterFormat 編碼:23 36 00
MasterFormat 類別:空氣終端單元 Air Terminal Units
PCCES 編碼:15 841
PCCES 類別:空氣終端箱 Air Terminal Units
LOD:300
元件供應商:施正之建築師事務所
設計/生產地:資料建置中
產品網址:資料建置中
資料建置中
碳足跡:kgCO2e
資料建置中
初審單位:中華民國全國建築師公會
複審單位:中華民國全國建築師公會
Free
model formats
Revit
-
M_空調設備 - 直立箱型 - 氣冷式 - 26 kW.rfaver.2018 288 KB
ArchiCAD
- 暫無資料
AutoCAD
- 暫無資料
IFC
- 暫無資料
評分與評論
5.0
共0 則評分
5
4
3
2
1
暫無評論
相關元件
空調工程
M_供氣分佈口
施正之建築師事務所
14,241
空調工程
M_AHU 過濾器 - 濾芯
施正之建築師事務所
14,513
空調工程
M_空調-室外機
施正之建築師事務所
13,918
氣體工程
M_加濕器- 蒸氣 - 高容量
施正之建築師事務所
13,188
空調工程
M_離心風機 - 同軸- 筒狀
施正之建築師事務所
13,489















