BIM
知識資源平台
編碼系統
元件分類
廠商列表
數據分析
知識影片
課程資訊
建築名師
服務項目
首頁
編碼系統
元件分類
廠商列表
數據分析
知識影片
課程資訊
建築名師
服務項目
關鍵字搜尋
清除篩選
元件專區
社宅元件
設計元件
施工元件
法規元件
營建設備元件
機電元件
結構土木元件
消防元件
點景元件
勞工安全衛生元件
Green-BIM元件
影音
新版防火門標識(標章)說明
截火套管
上豐化學建材股份有限公司
台達電子
台達電子-空氣品質方案產品部
創優微圖
創優微圖股份有限公司
T.I.G.
台北國際聯合建築師事務所
和成衛浴
和成欣業股份有限公司
防火隔熱
金橋有限公司
元件專區
結構土木元件
排序
最新
點擊數
下載數
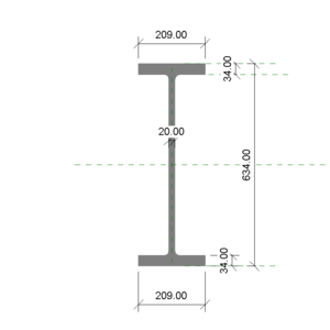
金屬建材
H型鋼 634x209x20x34_V20
LOD300
6901
0
施正之建築師事務所
金屬建材
H型鋼 628x312x24x40_V20
LOD300
6601
0
施正之建築師事務所
金屬建材
H型鋼 626x207x18x30_V20
LOD300
7211
0
施正之建築師事務所
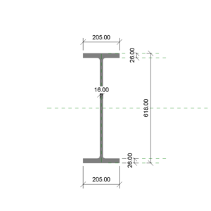
金屬建材
H型鋼 618x205x16x26_V20
LOD300
7514
0
施正之建築師事務所
金屬建材
H型鋼 616x308x20x34_V20
LOD300
6802
0
施正之建築師事務所
金屬建材
H型鋼 612x202x13x23_V20
LOD300
6492
0
施正之建築師事務所
金屬建材
H型鋼 606x201x12x20_V20
LOD300
7364
0
施正之建築師事務所
金屬建材
H型鋼 600x200x11x17_V20
LOD300
7233
0
施正之建築師事務所
金屬建材
H型鋼 510x306x17x29_V20
LOD300
6768
0
施正之建築師事務所
金屬建材
H型鋼 500x304x15x24_V20
LOD300
6276
0
施正之建築師事務所
金屬建材
H型鋼 494x302x13x21_V20
LOD300
7793
0
施正之建築師事務所
金屬建材
H型鋼 456x201x10x17_V20
LOD300
6837
0
施正之建築師事務所
金屬建材
H型鋼 450x200x9x14_v20
LOD300
6934
0
施正之建築師事務所
金屬建材
H型鋼 446x199x8x12_v20
LOD300
7389
0
施正之建築師事務所
金屬建材
H型鋼 418x310x20x30_V20
LOD300
7314
0
施正之建築師事務所
金屬建材
H型鋼 400x408x21x21_V20
LOD300
6252
0
施正之建築師事務所
金屬建材
H型鋼 400x400x13x21_V20
LOD300
6497
0
施正之建築師事務所
金屬建材
H型鋼 400x304x14x21_V20
LOD300
6670
0
施正之建築師事務所
金屬建材
H型鋼 394x405x18x18_V20
LOD300
7035
0
施正之建築師事務所
金屬建材
H型鋼 394x398x11x18_V20
LOD300
7196
0
施正之建築師事務所
每頁
20
50
100
筆
1
2
3
4
...
37
38