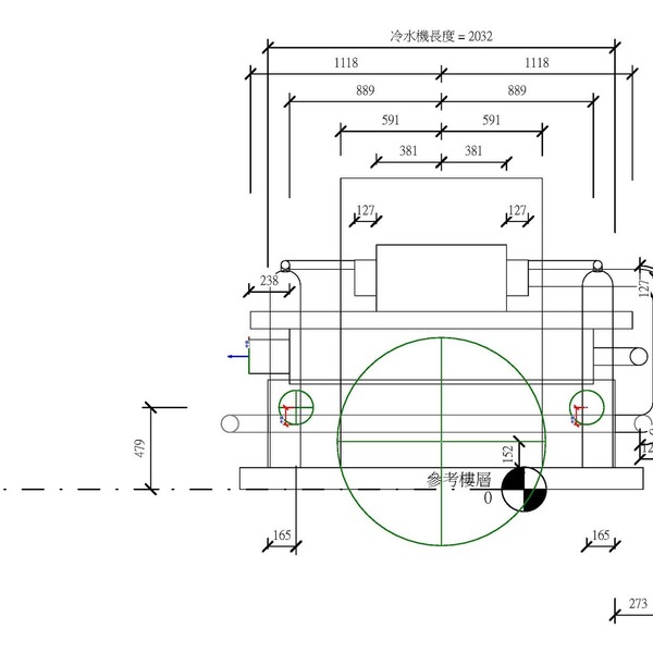
M_迴轉式冷水機 - 水冷式 - 無冷凝器 - 246-440 kW
OmniClass 編碼:22-23 64 00
OmniClass 類別:組合式水冷凍 Packaged Water Chillers
MasterFormat 編碼:23 64 00
MasterFormat 類別:包裝的冷水機 Packaged Water Chillers
PCCES 編碼:15 620
PCCES 類別:冰水機組 Packaged Water Chillers
LOD:300
元件供應商:施正之建築師事務所
設計/生產地:資料建置中
產品網址:資料建置中
資料建置中
碳足跡:kgCO2e
資料建置中
初審單位:中華民國全國建築師公會
複審單位:中華民國全國建築師公會
Free
model formats
Revit
-
M_迴轉式冷水機 - 水冷式 - 無冷凝器 - 246-440 kW.rfaver.2018 444 KB
ArchiCAD
- 暫無資料
AutoCAD
- 暫無資料
IFC
- 暫無資料
評分與評論
5.0
共0 則評分
5
4
3
2
1
暫無評論
相關元件
給排水工程
M_帶防水的地面排水渠-剖面
施正之建築師事務所
10,349
給排水工程
M_地面排水管 - 矩形
施正之建築師事務所
10,350















