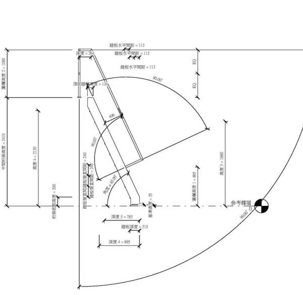
M_替用踏板裝置_V13
OmniClass 編碼:22-05 51 00
OmniClass 類別:金屬樓梯 Metal Stairs
MasterFormat 編碼:05 51 00
MasterFormat 類別:金屬樓梯 Metal Stairs
PCCES 編碼:05 510
PCCES 類別:金屬樓梯及爬梯 Metal Stairs and Ladders
LOD:300
元件供應商:施正之建築師事務所
設計/生產地:資料建置中
產品網址:資料建置中
資料建置中
碳足跡:kgCO2e
資料建置中
初審單位:中華民國全國建築師公會
複審單位:中華民國全國建築師公會
Free
model formats
Revit
-
M_替用踏板裝置.rfaver.2013 432 KB
ArchiCAD
- 暫無資料
AutoCAD
- 暫無資料
IFC
- 暫無資料
評分與評論
5.0
共0 則評分
5
4
3
2
1
暫無評論
相關元件
柱
M_錨定螺栓-側面
施正之建築師事務所
11,026
柱
M_J 形滑槽-頂部
施正之建築師事務所
10,036
柱
M_鋼板-一般-側面-寬度
施正之建築師事務所
8,678
樑
M_封閉迴路襯料-圓形
施正之建築師事務所
10,233
樓板
3D
EJC_地坪L型_崁飾材式
BIM知識資源平台
2,167
柱
M_C 托樑-剖面
施正之建築師事務所
9,456
柱
M_A490 螺栓-側面
施正之建築師事務所
8,873
柱
UBT-結構 T 接頭_V13
施正之建築師事務所
12,303
柱
M_輕型 Z 形鋼-頂部
施正之建築師事務所
10,802
樑
M_HP-支承樁-柱_V13
施正之建築師事務所
9,175
柱
M_角板-1 斜面-立面
施正之建築師事務所
8,778
柱
M_角板-2 斜面-立面
施正之建築師事務所
9,392
樑
M_S-美國標準-剖面
施正之建築師事務所
12,044















