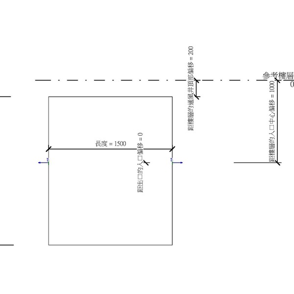
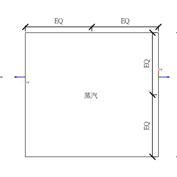
M_蒸汽連接
OmniClass 編碼:23-27 49 00
OmniClass 類別:管接頭 Pipe Couplings
MasterFormat 編碼:41 36 19
MasterFormat 類別:連接設備 Joining Equipment
PCCES 編碼:15 120
PCCES 類別:控制用管件 Piping Specialties
LOD:300
元件供應商:施正之建築師事務所
設計/生產地:資料建置中
產品網址:資料建置中
資料建置中
碳足跡:kgCO2e
資料建置中
初審單位:中華民國全國建築師公會
複審單位:中華民國全國建築師公會
Free
model formats
Revit
-
M_蒸汽連接.rfaver.2018 276 KB
ArchiCAD
- 暫無資料
AutoCAD
- 暫無資料
IFC
- 暫無資料
評分與評論
5.0
共0 則評分
5
4
3
2
1
暫無評論
相關元件
空調工程
圓形彎頭_V18
台灣積體電路製造股份有限公司
3,803
液體工程
M_馬達控制閥 - 15-50 mm
施正之建築師事務所
11,355
廠房/工廠設施設備
M_水箱
施正之建築師事務所
10,995
柱
M_冷成形槽 HTA2
施正之建築師事務所
11,450
給排水工程
M_衛生設施污水管接頭
施正之建築師事務所
10,911
液體工程
M_回流防止器 - 15-50 mm
施正之建築師事務所
11,326
空調工程
圓形端蓋_V18
台灣積體電路製造股份有限公司
3,832
給排水工程
M_氣體接頭
施正之建築師事務所
10,221















