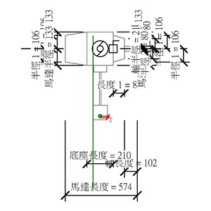
M_馬達帶切斷
OmniClass 編碼:23-35 11 13
OmniClass 類別:馬達發電機組 Motor Generator Sets
MasterFormat 編碼:28 05 07
MasterFormat 類別:電子安全保障電源 Power Sources for Electronic Safety and Security
PCCES 編碼:16 435
PCCES 類別:馬達控制 Motor Control
LOD:300
元件供應商:施正之建築師事務所
設計/生產地:資料建置中
產品網址:資料建置中
資料建置中
碳足跡:kgCO2e
資料建置中
初審單位:中華民國全國建築師公會
複審單位:中華民國全國建築師公會
Free
model formats
Revit
-
M_馬達帶切斷.rfaver.2018 340 KB
ArchiCAD
- 暫無資料
AutoCAD
- 暫無資料
IFC
- 暫無資料
評分與評論
5.0
共0 則評分
5
4
3
2
1
暫無評論
相關標籤
相關元件
電力系統
M_接線盒 - 負載
施正之建築師事務所
9,477
電力系統
M_溝槽緩和接條
施正之建築師事務所
9,714
電力系統
M_雙插座盒
施正之建築師事務所
9,954
電力系統
M_雙極開關
施正之建築師事務所
8,847
電力系統
M_梯活接頭
施正之建築師事務所
9,849
電力系統
M_速度控制器開關
施正之建築師事務所
9,608
電力系統
M_公用設施配電板
施正之建築師事務所
10,204















