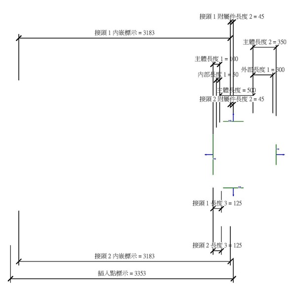
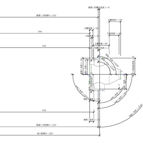
M_圓形轉接頭低損耗交叉 - 180 度 - DTL
OmniClass 編碼:23-31 35 00
OmniClass 類別:水管接頭 Plumbing Tubing
MasterFormat 編碼:33 14 11
MasterFormat 類別:自來水管道 Water Utility Transmission Piping
PCCES 編碼:15 140
PCCES 類別:自來水管路 Domestic Water Piping
LOD:300
元件供應商:施正之建築師事務所
設計/生產地:資料建置中
產品網址:資料建置中
資料建置中
碳足跡:kgCO2e
資料建置中
初審單位:中華民國全國建築師公會
複審單位:中華民國全國建築師公會
Free
model formats
Revit
-
M_圓形轉接頭低損耗交叉 - 180 度 - DTL.rfaver.2018 356 KB
ArchiCAD
- 暫無資料
AutoCAD
- 暫無資料
IFC
- 暫無資料
評分與評論
5.0
共0 則評分
5
4
3
2
1
暫無評論
相關元件
給排水工程
M_橢圓形交叉 - 直式
施正之建築師事務所
10,316
給排水工程
M_矩形收頭
施正之建築師事務所
11,566
給排水工程
直通接頭_V18
台灣積體電路製造股份有限公司
4,162
給排水工程
M_矩形交叉
施正之建築師事務所
11,077
給排水工程
接頭1_V18
台灣積體電路製造股份有限公司
3,758















