M_頂蓋 - 通用
OmniClass 編碼:23-31 35 00
OmniClass 類別:水管接頭 Plumbing Tubing
MasterFormat 編碼:33 14 11
MasterFormat 類別:自來水管道 Water Utility Transmission Piping
PCCES 編碼:15 140
PCCES 類別:自來水管路 Domestic Water Piping
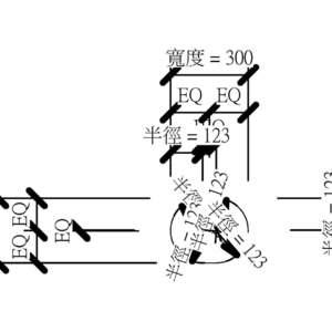
LOD:300
元件供應商:施正之建築師事務所
設計/生產地:資料建置中
產品網址:資料建置中
資料建置中
碳足跡:kgCO2e
資料建置中
初審單位:中華民國全國建築師公會
複審單位:中華民國全國建築師公會
Free
model formats
Revit
-
M_頂蓋 - 通用.rfaver.2018 244 KB
ArchiCAD
- 暫無資料
AutoCAD
- 暫無資料
IFC
- 暫無資料
評分與評論
5.0
共0 則評分
5
4
3
2
1
暫無評論
相關元件
給排水工程
M_圓形 T 接頭 - 切面
施正之建築師事務所
13,119
給排水工程
M_控制擋板 - 平行開啟
施正之建築師事務所
9,190
給排水工程
M_管道 - 橢圓形
施正之建築師事務所
10,134
給排水工程
M_平衡擋板 - 矩形
施正之建築師事務所
10,773
給排水工程
DR_PVC清潔口_V22
施正之建築師事務所
5,826















