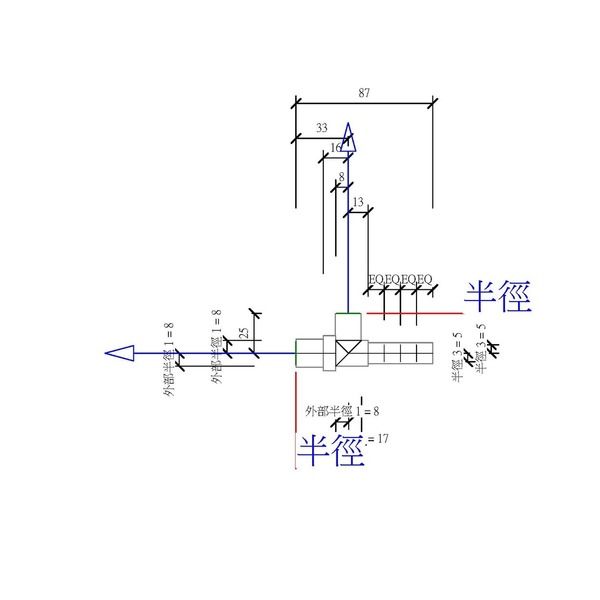
M_校準釋壓閥_V13
OmniClass 編碼:23-29 25 00
OmniClass 類別:滅火設備 Fire Fighting Equipment
MasterFormat 編碼:21 00 00
MasterFormat 類別:滅火系統 Fire Suppression
PCCES 編碼:13 900
PCCES 類別:消防滅火系統 Fire Suppression
LOD:300
元件供應商:施正之建築師事務所
設計/生產地:資料建置中
產品網址:資料建置中
資料建置中
碳足跡:kgCO2e
資料建置中
初審單位:中華民國全國建築師公會
複審單位:中華民國全國建築師公會
Free
model formats
Revit
-
M_校準釋壓閥.rfaver.2013 268 KB
ArchiCAD
- 暫無資料
AutoCAD
- 暫無資料
IFC
- 暫無資料
評分與評論
5.0
共0 則評分
5
4
3
2
1
暫無評論
相關元件
消防工程
M_火警街道警報箱
施正之建築師事務所
9,832
消防工程
M_200F 感熱器
施正之建築師事務所
6,742
消防工程
M_緊急暫停開關
施正之建築師事務所
8,042
消防工程
M_水量指示器_V13
施正之建築師事務所
8,644
消防工程
M_空氣取樣控制偵測器嵌板
施正之建築師事務所
9,428
弱電工程
差動式局限型探測器_V22
施正之建築師事務所
4,440
消防工程
ME_消防管_三通_V22
施正之建築師事務所
3,832
消防工程
M_響鈴 - 鐘聲
施正之建築師事務所
8,483
消防工程
M_固定式感熱器
施正之建築師事務所
8,099
消防工程
M_滅火器放置箱_V13
施正之建築師事務所
8,511
消防工程
M_火警開關裝置 - 壁掛式
施正之建築師事務所
8,377
弱電工程
差動式傳統型探測器_V22
施正之建築師事務所
4,230
消防工程
M_消防員電話系統
施正之建築師事務所
10,260
消防工程
M_可定址式輸出模組
施正之建築師事務所
9,559















