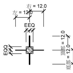
PFC-平行凸緣槽-縱斷面
OmniClass 編碼:23-19 11 27
OmniClass 類別:圖形標示 Pictograms
MasterFormat 編碼:01 33 16
MasterFormat 類別:設計資料 Design Data
PCCES 編碼:01 333
LOD:300
元件供應商:施正之建築師事務所
設計/生產地:資料建置中
產品網址:資料建置中
資料建置中
碳足跡:kgCO2e
資料建置中
初審單位:中華民國全國建築師公會
複審單位:中華民國全國建築師公會
Free
model formats
Revit
-
PFC-平行凸緣槽-縱斷面.rfaver.2018 212 KB
ArchiCAD
- 暫無資料
AutoCAD
- 暫無資料
IFC
- 暫無資料
評分與評論
5.0
共0 則評分
5
4
3
2
1
暫無評論
相關元件
標籤註解
M_定點高程 - 外部填充
施正之建築師事務所
7,154
標籤註解
M_時鐘註解
施正之建築師事務所
7,307
標籤註解
M_樓板邊緣-增厚
施正之建築師事務所
7,658
標籤註解
M_預鑄-L 形樑-縱斷面
施正之建築師事務所
6,198
標籤註解
M_火警喇叭閃燈註解 2
施正之建築師事務所
8,481
標籤註解
M_量體標籤
施正之建築師事務所
8,131
標籤註解
M_底部立面導管標籤
施正之建築師事務所
7,262
標籤註解
M_牆掃掠-立砌磚層
施正之建築師事務所
7,091
標籤註解
M_視圖標題
施正之建築師事務所
10,556
標籤註解
M_剖面線標頭 - 無箭頭
施正之建築師事務所
7,430
標籤註解
M_結構桁架標籤
施正之建築師事務所
6,771
住宅家具與設備
M_地面排水渠-2D
施正之建築師事務所
6,119
標籤註解
M_鋼筋標籤
施正之建築師事務所
8,668
標籤註解
M_網格標頭 - 無件號
施正之建築師事務所
7,964
標籤註解
M_有圖紙的視圖標題
施正之建築師事務所
8,811
標籤註解
M_連接-柱-薄板
施正之建築師事務所
7,111
標籤註解
M_連接-收集器
施正之建築師事務所
7,330
標籤註解
M_連接-頂部凸緣熔接
施正之建築師事務所
8,144

