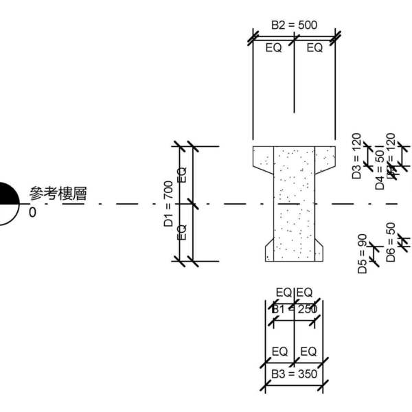
M_預鑄-大樑 I-平行-等截柱_V13
OmniClass 編碼:23-13 31 15
OmniClass 類別:預製結構混凝土 Precast Structural Concrete
MasterFormat 編碼:03 40 00
MasterFormat 類別:預鑄混凝土 Precast Concrete
PCCES 編碼:03 400
PCCES 類別:預鑄混凝土 Precast Concrete
LOD:300
元件供應商:施正之建築師事務所
設計/生產地:資料建置中
產品網址:資料建置中
資料建置中
碳足跡:kgCO2e
資料建置中
初審單位:中華民國全國建築師公會
複審單位:中華民國全國建築師公會
Free
model formats
Revit
-
M_預鑄-大樑 I-平行-等截柱.rfaver.2013 292 KB
ArchiCAD
- 暫無資料
AutoCAD
- 暫無資料
IFC
- 暫無資料
評分與評論
5.0
共0 則評分
5
4
3
2
1
暫無評論
相關元件
外牆
M_成形窗台 CMU-側面
施正之建築師事務所
9,864
板
M_預鑄-含剪切末端的矩形樑_V13
施正之建築師事務所
13,789
樑
M_門板托樑_V25
低碳數位營建聯盟
478
樑
M_雙 T 形托樑-側面
施正之建築師事務所
11,802
樑
M_樓板樑-側面
施正之建築師事務所
12,312
柱
H型鋼100x50x5x7_V20
施正之建築師事務所
8,866
外牆
M_CMU-3 核心-頂部
施正之建築師事務所
10,127
外牆
M_PVC 窗扇連接砌塊-頂部
施正之建築師事務所
9,905
柱
RHS-矩形空心剖面_V13
施正之建築師事務所
12,110
外牆
M_實體 CMU-頂部
施正之建築師事務所
11,167











