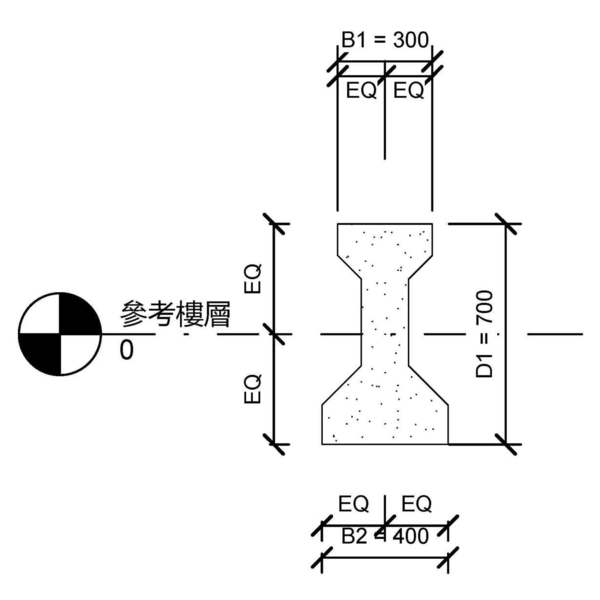
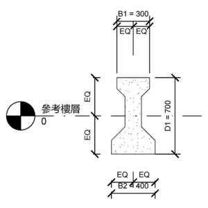
M_預鑄-I 形樑_V13
OmniClass 編碼:23-13 31 15
OmniClass 類別:預製結構混凝土 Precast Structural Concrete
MasterFormat 編碼:03 40 00
MasterFormat 類別:預鑄混凝土 Precast Concrete
PCCES 編碼:03 400
PCCES 類別:預鑄混凝土 Precast Concrete
LOD:300
元件供應商:施正之建築師事務所
設計/生產地:資料建置中
產品網址:資料建置中
資料建置中
碳足跡:kgCO2e
資料建置中
初審單位:中華民國全國建築師公會
複審單位:中華民國全國建築師公會
Free
model formats
Revit
-
M_預鑄-I 形樑.rfaver.2013 268 KB
ArchiCAD
- 暫無資料
AutoCAD
- 暫無資料
IFC
- 暫無資料
評分與評論
5.0
共0 則評分
5
4
3
2
1
暫無評論
相關元件
柱
M_VG 次龍骨_V13
施正之建築師事務所
12,901
柱
M_鋼管樁_V13
施正之建築師事務所
11,792
外牆
M_砌樑-單-側面
施正之建築師事務所
10,967
柱
M_剪力欄杆元素-HDB
施正之建築師事務所
12,465
板
M_預鑄混凝土雙 T 形_V13
施正之建築師事務所
14,580
外牆
M_成形窗台 CMU-側面
施正之建築師事務所
9,864
樑
M_混凝土柱-圓形-頂端
施正之建築師事務所
11,538
柱
M_樁-HP 形狀_V13
施正之建築師事務所
11,655
外牆
M_CMU-3 核心-剖面
施正之建築師事務所
12,138
柱
M_單剪力定位銷 HSD-SET2
施正之建築師事務所
11,797
外牆
M_分割面 CMU-頂部
施正之建築師事務所
9,887











