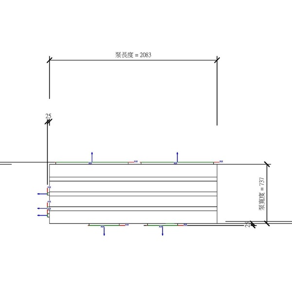
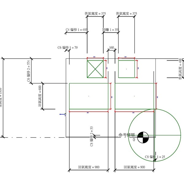
M_WSHP - 直立 - 46-70 kW - 後端回氣 - 前端排放
OmniClass 編碼:22-23 71 13
OmniClass 類別:蓄熱儲存 Thermal Heat Storage
MasterFormat 編碼:23 71 13
MasterFormat 類別:蓄熱 Thermal Heat Storage
PCCES 編碼:15 740
PCCES 類別:熱泵 Heat Pumps
LOD:300
元件供應商:施正之建築師事務所
設計/生產地:資料建置中
產品網址:資料建置中
資料建置中
碳足跡:kgCO2e
資料建置中
初審單位:中華民國全國建築師公會
複審單位:中華民國全國建築師公會
Free
model formats
Revit
-
M_WSHP - 直立 - 46-70 kW - 後端回氣 - 前端排放.rfaver.2018 320 KB
ArchiCAD
- 暫無資料
AutoCAD
- 暫無資料
IFC
- 暫無資料
評分與評論
5.0
共0 則評分
5
4
3
2
1
暫無評論
相關元件
空調工程
M_AHU 檢測模組 - 中
施正之建築師事務所
14,807
空調工程
M_供氣分佈口 - 正方形 - 主體
施正之建築師事務所
13,432
空調工程
返回擴散器_V18
台灣積體電路製造股份有限公司
6,538















