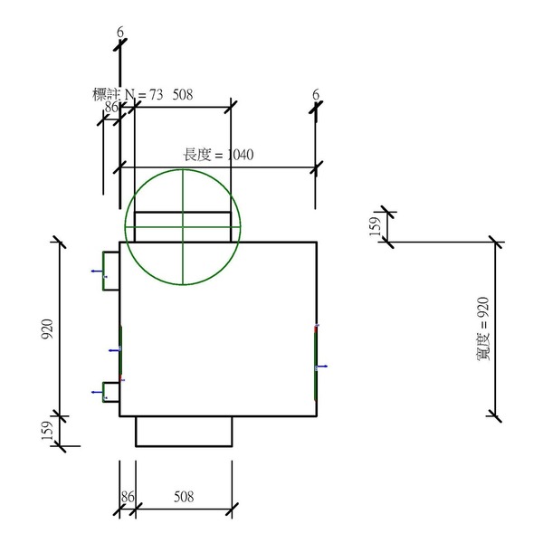
M_終端設備 - 風機動力 - 數位控制 - IAQ
OmniClass 編碼:22-23 70 00
OmniClass 類別:中央暖風、通氣與空調設備 Central HVAC Equipment
MasterFormat 編碼:23 70 00
MasterFormat 類別:中央空調設備 Central HVAC Equipment
PCCES 編碼:15 911
LOD:300
元件供應商:施正之建築師事務所
設計/生產地:資料建置中
產品網址:資料建置中
資料建置中
碳足跡:kgCO2e
資料建置中
初審單位:中華民國全國建築師公會
複審單位:中華民國全國建築師公會
Free
model formats
Revit
-
M_終端設備 - 風機動力 - 數位控制 - IAQ.rfaver.2018 292 KB
ArchiCAD
- 暫無資料
AutoCAD
- 暫無資料
IFC
- 暫無資料
評分與評論
5.0
共0 則評分
5
4
3
2
1
暫無評論
相關元件
空調工程
M_屋頂 AHU 過濾器
施正之建築師事務所
14,724
空調工程
返回擴散器_V18
台灣積體電路製造股份有限公司
6,538
電力系統
M_導管管接頭 - 壓縮 - 鋼
施正之建築師事務所
12,139
電力系統
M_圓形盒 - 五個出口 - 鋁
施正之建築師事務所
12,210















