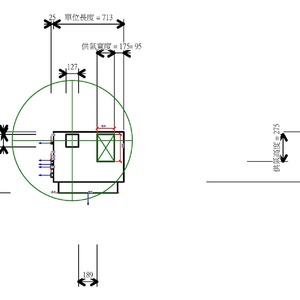
M_風機盤管機組 - 直立 - 皮帶驅動 - DX
OmniClass 編碼:22-23 70 00
OmniClass 類別:中央暖風、通氣與空調設備 Central HVAC Equipment
MasterFormat 編碼:23 70 00
MasterFormat 類別:中央空調設備 Central HVAC Equipment
PCCES 編碼:15 911
LOD:300
元件供應商:施正之建築師事務所
設計/生產地:資料建置中
產品網址:資料建置中
資料建置中
碳足跡:kgCO2e
資料建置中
初審單位:中華民國全國建築師公會
複審單位:中華民國全國建築師公會
Free
model formats
Revit
-
M_風機盤管機組 - 直立 - 皮帶驅動 - DX.rfaver.2018 300 KB
ArchiCAD
- 暫無資料
AutoCAD
- 暫無資料
IFC
- 暫無資料
評分與評論
5.0
共0 則評分
5
4
3
2
1
暫無評論
相關元件
空調工程
分離式室內機_V22
施正之建築師事務所
7,962
空調工程
M_屋頂 AHU 風機
施正之建築師事務所
14,023
氣體工程
M_加濕器- 蒸氣 - 高容量
施正之建築師事務所
13,188
電力系統
M_導管接線盒 - 交叉 - 鋁
施正之建築師事務所
12,678
電力系統
M_導管主體 - C 類 - PVC
施正之建築師事務所
11,748
空調工程
排氣格柵_V18
台灣積體電路製造股份有限公司
6,585















