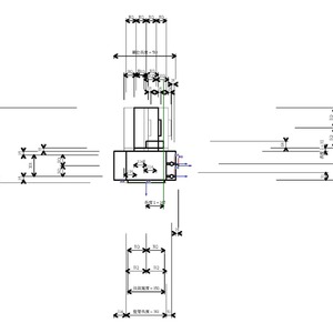
M_風機盤管機組 - 水平管道式 - CHW
OmniClass 編碼:22-23 70 00
OmniClass 類別:中央暖風、通氣與空調設備 Central HVAC Equipment
MasterFormat 編碼:23 70 00
MasterFormat 類別:中央空調設備 Central HVAC Equipment
PCCES 編碼:15 911
LOD:300
元件供應商:施正之建築師事務所
設計/生產地:資料建置中
產品網址:資料建置中
資料建置中
碳足跡:kgCO2e
資料建置中
初審單位:中華民國全國建築師公會
複審單位:中華民國全國建築師公會
Free
model formats
Revit
-
M_風機盤管機組 - 水平管道式 - CHW.rfaver.2018 320 KB
ArchiCAD
- 暫無資料
AutoCAD
- 暫無資料
IFC
- 暫無資料
評分與評論
5.0
共0 則評分
5
4
3
2
1
暫無評論
相關元件
電力系統
M_導管主體 - T 類 - PVC
施正之建築師事務所
12,034
消防工程
排煙開關(直式)_V22
施正之建築師事務所
8,120
空調工程
M_離心風機 - 同軸- 皮帶驅動
施正之建築師事務所
13,720
給排水工程
循環泵_V18
台灣積體電路製造股份有限公司
4,974
空調工程
3D
綠新風觸控套組G6T
BIM知識資源平台
4,110















