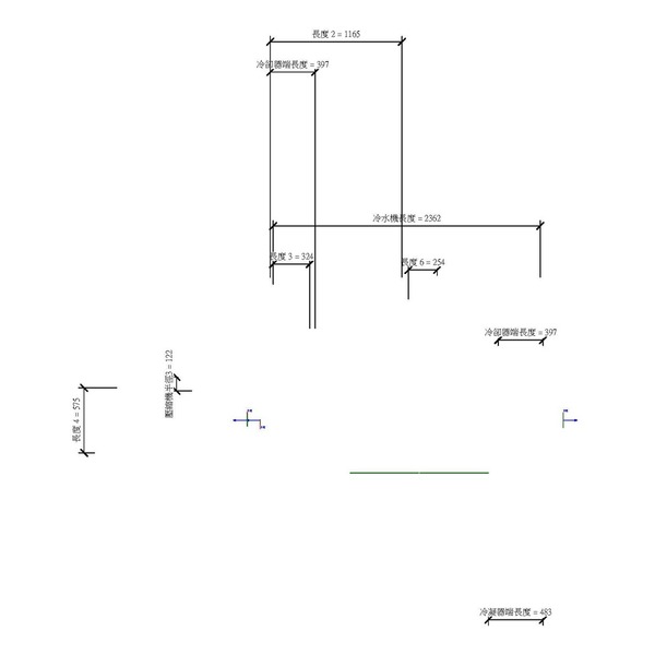
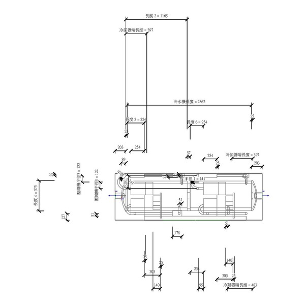
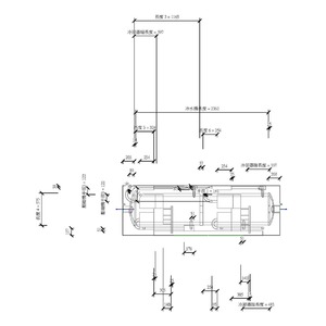
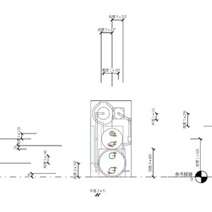
M_螺旋式冷水機 - 水冷式 - 265-367 kW
OmniClass 編碼:22-23 64 00
OmniClass 類別:組合式水冷凍 Packaged Water Chillers
MasterFormat 編碼:23 64 00
MasterFormat 類別:包裝的冷水機 Packaged Water Chillers
PCCES 編碼:15 620
PCCES 類別:冰水機組 Packaged Water Chillers
LOD:300
元件供應商:施正之建築師事務所
設計/生產地:資料建置中
產品網址:資料建置中
資料建置中
碳足跡:kgCO2e
資料建置中
初審單位:中華民國全國建築師公會
複審單位:中華民國全國建築師公會
Free
model formats
Revit
-
M_螺旋式冷水機 - 水冷式 - 265-367 kW.rfaver.2018 604 KB
ArchiCAD
- 暫無資料
AutoCAD
- 暫無資料
IFC
- 暫無資料
評分與評論
5.0
共0 則評分
5
4
3
2
1
暫無評論
相關元件
空調工程
M_熱泵 - 整體式
施正之建築師事務所
12,994
液體工程
M_氣動式冷凝泵 - 直立
施正之建築師事務所
12,551
空調工程
M_供氣通風調節裝置-樓層
施正之建築師事務所
14,555
空調工程
矩形直形_V18
台灣積體電路製造股份有限公司
7,128
空調工程
M_暖氣裝置-循環加熱基板
施正之建築師事務所
16,400
空調工程
矩形三通_V18
台灣積體電路製造股份有限公司
6,787
液體工程
M_污水泵 - 直立排放
施正之建築師事務所
11,437















