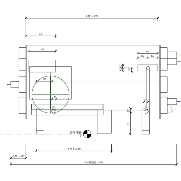
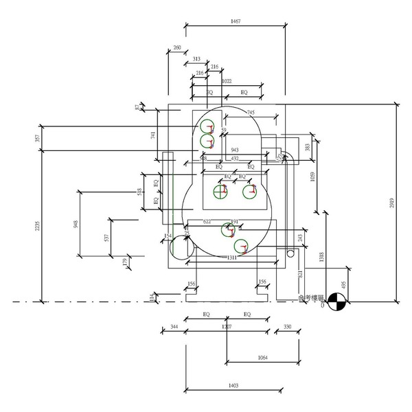
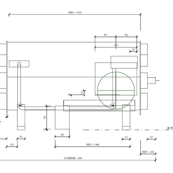
M_吸收式冷水機 - 單效 - 1758-2813 kW
OmniClass 編碼:22-23 64 00
OmniClass 類別:組合式水冷凍 Packaged Water Chillers
MasterFormat 編碼:23 64 00
MasterFormat 類別:包裝的冷水機 Packaged Water Chillers
PCCES 編碼:15 620
PCCES 類別:冰水機組 Packaged Water Chillers
LOD:300
元件供應商:施正之建築師事務所
設計/生產地:資料建置中
產品網址:資料建置中
資料建置中
碳足跡:kgCO2e
資料建置中
初審單位:中華民國全國建築師公會
複審單位:中華民國全國建築師公會
Free
model formats
Revit
-
M_吸收式冷水機 - 單效 - 1758-2813 kW.rfaver.2018 436 KB
ArchiCAD
- 暫無資料
AutoCAD
- 暫無資料
IFC
- 暫無資料
評分與評論
5.0
共0 則評分
5
4
3
2
1
暫無評論
相關元件
電力系統
M_導管計量器中樞 - PVC
施正之建築師事務所
13,454
空調工程
矩形十字_V18
台灣積體電路製造股份有限公司
6,662
空調工程
M_供氣通風調節裝置-樓層
施正之建築師事務所
14,555
空調工程
M_暖氣機 - 櫥櫃 - 水平隱藏式
施正之建築師事務所
13,721
空調工程
分離式冷氣
宗陞智能工程有限公司
12,277















