M_洗衣機_V13
OmniClass 編碼:22-11 31 00
OmniClass 類別:住宅設備 Residential Appliances
MasterFormat 編碼:11 30 13
MasterFormat 類別:住宅電器 Residential Appliances
PCCES 編碼:11 000
PCCES 類別:設備 Equipment
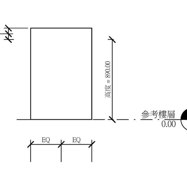
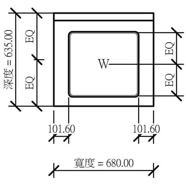
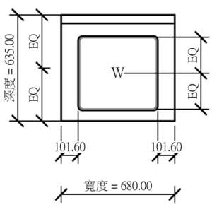
LOD:300
元件供應商:施正之建築師事務所
設計/生產地:資料建置中
產品網址:資料建置中
資料建置中
碳足跡:kgCO2e
資料建置中
初審單位:中華民國全國建築師公會
複審單位:中華民國全國建築師公會
Free
model formats
Revit
-
M_洗衣機.rfaver.2013 260 KB
ArchiCAD
- 暫無資料
AutoCAD
- 暫無資料
IFC
- 暫無資料
評分與評論
5.0
共0 則評分
5
4
3
2
1
暫無評論
相關元件
住宅家具與設備
M_水槽臺-圓形
施正之建築師事務所
10,469
瓦斯工程
瓦斯熱水器16L_V22
施正之建築師事務所
5,727
運動娛樂設施設備
美式足球場_v20
施正之建築師事務所
6,927
運動娛樂設施設備
躲避球場_v20
施正之建築師事務所
6,788
住宅家具與設備
M_水槽 - 公共用
施正之建築師事務所
9,232
運動娛樂設施設備
棒球場_v20
施正之建築師事務所
6,094
住宅家具與設備
BA5960_化妝板
和成欣業股份有限公司
7,092
住宅家具與設備
M_水槽廚房-三
施正之建築師事務所
10,289
住宅家具與設備
M_水槽-圓形-2D
施正之建築師事務所
9,490
住宅家具與設備
M_乾手機
施正之建築師事務所
9,020
運動娛樂設施設備
排球場_v20
施正之建築師事務所
7,672
廠房/工廠設施設備
M_旋風集塵 - 單個
施正之建築師事務所
10,355













