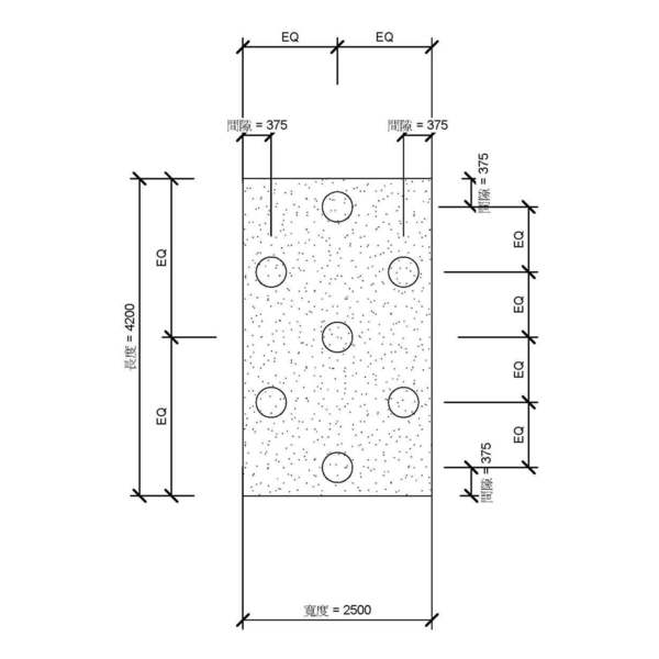
M_樁頂蓋-7 樁_V13
OmniClass 編碼:23-13 29 00
OmniClass 類別:基礎 Foundations
MasterFormat 編碼:31 66 00
MasterFormat 類別:特殊基礎 Special Foundations
PCCES 編碼:02 452
PCCES 類別:基礎 Foundation
LOD:300
元件供應商:施正之建築師事務所
設計/生產地:資料建置中
產品網址:資料建置中
資料建置中
碳足跡:kgCO2e
資料建置中
初審單位:中華民國全國建築師公會
複審單位:中華民國全國建築師公會
Free
model formats
Revit
-
M_樁頂蓋-7 樁.rfaver.2013 268 KB
ArchiCAD
- 暫無資料
AutoCAD
- 暫無資料
IFC
- 暫無資料
評分與評論
5.0
共0 則評分
5
4
3
2
1
暫無評論
相關元件
柱
UBT-結構 T 接頭_V13
施正之建築師事務所
12,303
外牆
M_鑲嵌玻璃面 CMU-側面
施正之建築師事務所
10,179
柱
M_鋼管樁_V26
低碳數位營建聯盟
600
樑
M_混凝土-矩形樑_V13
施正之建築師事務所
12,354
板
M_預鑄混凝土雙 T 形_V13
施正之建築師事務所
14,580
外牆
M_實體 CMU-剖面
施正之建築師事務所
11,547
板
M_預鑄樑-L 形-側面
施正之建築師事務所
11,990
柱
UBP-通用支承樁_V13
施正之建築師事務所
12,762
外牆
M_分割面 CMU-側面
施正之建築師事務所
10,619













